
1 Shay Lima 84 /
8-1883 2-truck, 30" gauge
Acquired new. Road Number "1" is a guess!
2 2-6-0 Porter 1214 /
9-1908 Built as an
0-6-0.
30" gauge
Acquired new by Enochs Brothers
3 Shay Lima 411 /
9-1892 2-truck 30" gauge
Acquired new. Lima records indicate the
engine was standard gauge, but Enochs company correspondence with
Lima state the engine was 30" gauge.
4 Shay Lima 405 /
8-1892 2-truck 30" gauge
orig-Morning Mining Company #1, Milwaukee, WI
5 Shay Lima 856 /
1904 65 tons, 3-truck
New.
6 Shay Lima 881 /
1904 65 tons, 3-truck
New.
7 4-6-0 Baldwin #? / 1872
8 2-8-0 Altoona
To Fernwood Lumber Co. in 1904 via Southern
Iron & Equipment Co. #213
9 2-6-0 Baldwin 6101 / 3-1882
orig-Terre Haute & Indianapolis #46;
Fernwood
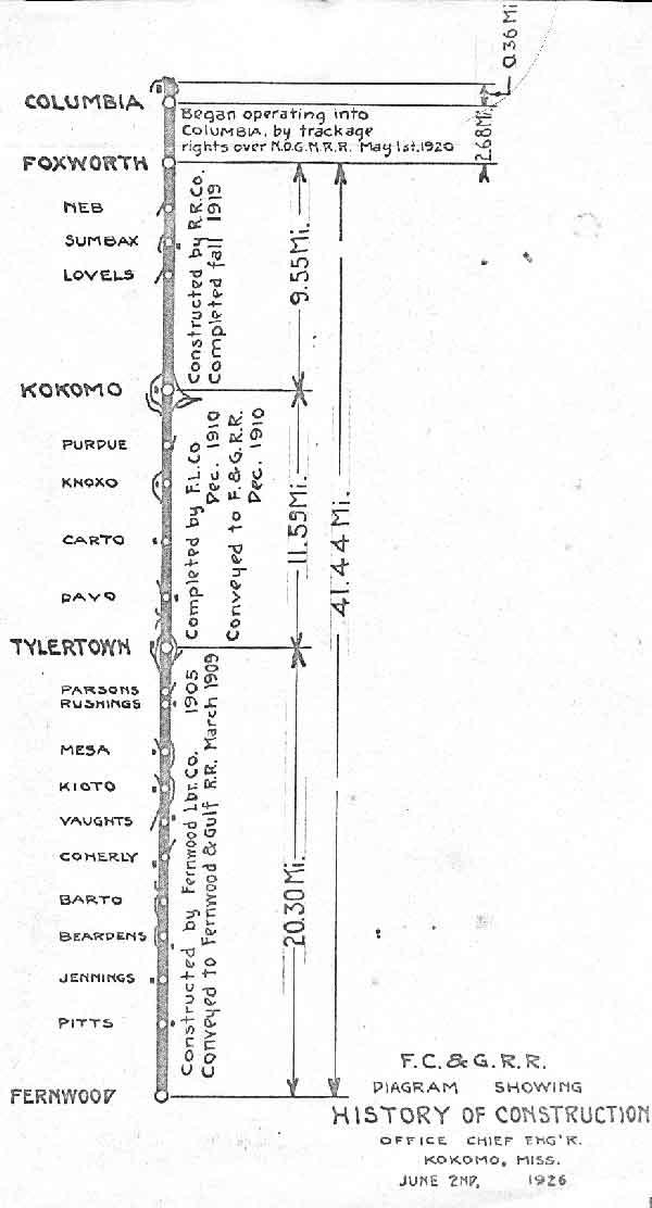
Lumber Co. #9; F&G #9; FC&G #9
10 2-6-0 Baldwin
34399 / 3-1910
orig-Fernwood Lumber Co. #10, Fernwood,
Miss;
Fernwood & Gulf #10; Fernwood, Columbia & Gulf #10
11 2-8-0 Baldwin
36000 / 1-1911
new-Fernwood Lbr. Co. #11; Fernwood & Gulf
#11; Fernwood, Columbia & Gulf #11
12 2-8-0 Baldwin
37578 / 3-1912
new-Fernwood Lbr. Co. #12, Fernwood, Miss;
F&G
#12; to J. J. White Lbr. Co. #19, Columbia, Miss; Kentucky Lumber Co.
#19,
Columbia, Miss; Birmingham Rail & Locomotive Co;
Fernwood,
Columbia & Gulf #12 on 12-3-1937 (Yes, company records
and photographic evidence bear out this circular history!)
13 2-8-2 Baldwin
40734 / 1913
New as Fernwood Lumber Co. #13
1st 14 4-6-0
Brooks 2412 / 2-1894
Acquired from Southen Iron & Equipment
Company #1158
2nd 14 4-6-0 Brooks
3557 / 6-1900
Acquired from Southen Iron & Equipment
Company #1700
15 4-4-2 Baldwin
19046 / 5-1901
Buffalo, Rochester & Pittsburgh #161;
SI&E
1505; Fernwood & Gulf #15 on 12-19-1919; FC&G #15; Scrapped 1936
16 Shay Lima 3096
/ 7-1920 80 tons,
3-truck
new; to Polk Operating Co. 6, Feb
1930
17 4-6-0 Brooks 3557
/ 6-1900
Fernwood Lbr. Co. 2nd 14; FC&G #17
44t
D1 44-ton GE 18195 / 3-30-45
new; to SJ&LC 504, Oct 1957
D2 44-ton GE 18196 / 3-30-45
new; to SJ&LC 505, Oct 1957
D3 44-ton GE 18197
/ 4-6-45
new; to Arcata & Mad River 104
D4 44-ton GE 28347
/ 4-26-47
new; to South Carolina State Port
Authority 104
D5 44-ton GE 15030 /
11-1941
x-NYO&W 103, Aug 1950; to SJ&LC 503,
Aug 1957
D6 44-ton GE 15029 /
12-1941
x-MSE 47; to SJ&LC 502, Jul 1957
600 SW-1 EMD
407- 3 1398 9-30-41
orig-EJ&E 240; to ICG; to CAGY
525
900 SW-900 EMD 4390-1
23298 4-1957
new to FC&G; to ICG; to Hutchinson &
Northern 6, in 1983
Railcars
M-1 Brill 22829 /
1930 Model 30
new to FC&G
M-3 Kalamazoo C-58373
/ 1936
new?
M-4 Assembled at
FC&G shops in 1937; now
owned
by Louis Saillard

David Price Collection


Please
Help Support the Tap Lines Website
My Photo
Collection Catalog
5x7 ($5) - 8x10($8) - 11x14($11) - 13x19($13)
Museum Quality Heavy Weight Prints
Available Direct from my Studio
Official Guide and Equipment Registers on CD
Builders Lists, Poors Manuals, Photo CDs
Available from: